Flexible Embedded LPWA 868/915MHz Antenna
This FPC antenna is a flexible embedded multiband antenna designed for use in 868MHz and 915MHz frequency bands.
- 868MHz & 915MHz Frequency Bands
- Ground Plane Independent Dipole Antenna
- Compact & Low profile
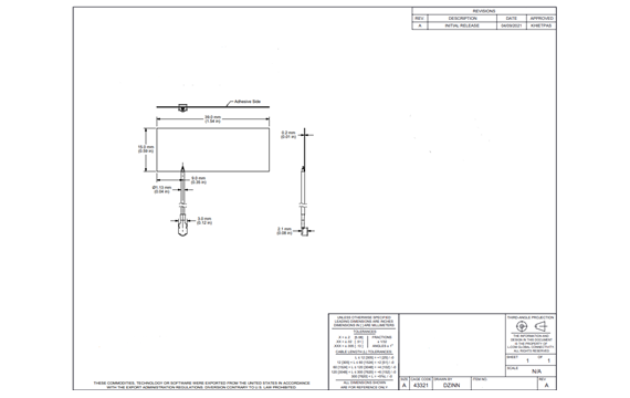
- Adhesive Back Permanently
- Flexible to Fit in Challenging enclosures
- IPEX (U.FL) Connector Compatible with MHF1, AMC and UMCC
- RoHS Compliant
- Specifications
- Introduction
- Datasheet
| Antenna Type | FPC Multiband Antenna |
| Frequency Range | 860-930 MHz |
| Peak Gain | – 3 dBi |
| Impedance | 50 Ohm |
| VSWR | <2.2 |
| Polarization | Vertical (Linear) |
| Radiation Pattern | Omni Directional |
| Connector Type | IPEX (U.FL) |
| Radome Color | Black |
| Packing | PE Bag |
This 868/915MHz multiband FPC antenna can be used for low-power, wide-area(LPWA) applications such as LoRaWAN, Sigfox and WIFI HaLow as well as other ISM systems and remote control applications.
It can provide a ground plane independent embedded antenna solution comparable in performance to an external antenna.
Its flexibility and adhesive characteristic makes itself easy to mount in unique and custom enclosures, while enabling an environmentally sealed enclosure and protection from tampering or accidental antenna damage.

Embedded 868/915MHz Antenna Features
Performance at 868MHz and 915MHz
Ground plane independent dipole antenna
Compact and low-profile
Flexible to fit in chanllenging enclosure
Connection is made to the radio via a 100mm long, RG1.13 coaxial cable terminated by IPEX (U.FL) type plug (female socket).
Embedded 868/915MHz Antenna Applications
Its major applications as followings:
Low-power, wide-area (LPWA) applications
- LoRaWAN
- Sigfox
- WIFI HaLow (802.11ah)
Remote control, monitoring and sensing
Intenet of Things (IoT) devices
ISM applications












